Hướng Dẫn Sử Dụng Và Lắp Đặt Van Giảm Áp YPR-1S SAMYANG

5/5 - (2 votes)
van giảm áp YPR-1S samyang
  1. Sản phẩm này là van giảm áp kiểu pilot dùng cho hơi, được trang bị chức năng điều chỉnh chính xác.
  2. Chỉ cần điều chỉnh một lần, có thể sử dụng ổn định với mức áp suất đã cài đặt.
  3. Cấu tạo van được thiết kế đơn giản, bền, nên việc lắp đặt đường ống rất thuận tiện.
  4. Ngay cả trong trường hợp áp suất phía đầu vào dao động mạnh, van giảm áp loại YPR–1S vẫn hoạt động ổn định và hiệu quả.
  5. Bất kể có sự thay đổi nào trong lưu lượng sử dụng ở phía thứ hai, áp suất vẫn luôn được duy trì ổn định.
  1. Để tránh nước ngưng lọt vào, cần lắp đặt đường ống có độ dốc và giảm nước ngưng bằng cách lắp bộ tách hơi phía trước van giảm áp.
  2. Cần lắp đặt lưới lọc (strainer) ở phía trước van giảm áp theo phương ngang để tránh đọng nước ngưng.
  3. Van cần được lắp đặt theo cả phương ngang và phương dọc.
  4. Lắp đặt sao cho thuận tiện cho việc kiểm tra, bảo trì, tháo lắp.
  5. Bộ giảm đường kính (reducer) lắp ở phía trước van giảm áp nên dùng loại lệch tâm (eccentric reducer).
  6. Kiểm tra hướng mũi tên trên thân van, đảm bảo hướng này trùng với chiều dòng chảy của lưu chất.
  7. Khi lắp đặt van, cần lắp thêm lưới lọc (80 mesh trở lên) ở phía trước van.
  1. Đóng van tay ở phía đầu vào (1st side) và đầu ra (2nd side).
  2. Mở van bypass và loại bỏ tạp chất bên trong đường ống.

Thực hiện xả (flashing) trong khoảng 10 phút, chú ý không để áp suất phía đầu ra (2nd side) tăng quá cao.

  • Đóng hoàn toàn van bypass.
  • Mở nắp phía trên van giảm áp, nới đai ốc hãm (locknut) bằng cách xoay ngược chiều kim đồng hồ.
  • Mở từ từ và hoàn toàn van tay ở phía đầu vào (1st side).
  • Quan sát đồng hồ áp suất phía đầu ra (2nd side), điều chỉnh áp suất bằng vít chỉnh phía trên van: Xoay theo chiều kim đồng hồ → tăng áp suất đầu ra.

Sau khi điều chỉnh, giữ ổn định áp suất trong 60 giây để kiểm tra.

  • Sau khi hoàn tất việc điều chỉnh áp suất, mở van tay phía đầu ra (2nd side) và siết chặt vít điều chỉnh bằng đai ốc hãm.
Thông sốGiá trị
Lưu chất áp dụngHơi (STEAM)
Kích thướcDN15 ~ DN200
Áp suất cho phép phía đầu vào (1st side)Dưới 1.0 MPa
Áp suất điều chỉnh được phía đầu ra (2nd side)0.03 ~ 0.5 MPa (Áp suất tiêu chuẩn)
0.4 ~ 0.8 MPa (Áp suất trung bình)
Chênh áp tối thiểu giữa đầu vào và đầu raDưới 0.7 MPa
Tỷ lệ giảm áp tối đa10:1
Nhiệt độ cho phép tối đaDưới 220℃
Kết nốiMặt bích KS 10K RF
Áp suất thử thủy lựcNước áp suất 1.5 MPa
Vật liệuThân vanGC200
Đĩa, đếCAC406/ STS
Màng chắnSTS
Áp suất thử thủy lựcÁp suất nước 1.5MPa

Khi sử dụng sản phẩm, cần đảm bảo tuân thủ các lưu ý sau để van phát huy tối đa hiệu quả:

  1. Không được tác động va đập lên sản phẩm.
  2. Không lưu trữ sản phẩm ở nơi ẩm ướt hoặc bẩn.
  3. Đặc biệt cẩn thận, tránh để tạp chất lọt vào bên trong sản phẩm.
  4. Khi lắp đặt đường ống, cần làm sạch kỹ vết nước, vết bẩn, cát hoặc cặn bám trên bề mặt ống; đồng thời làm sạch bề mặt tiếp xúc với gioăng.
  5. Nếu phải lắp thêm van đóng/mở khẩn cấp, cần đặt cách xa van giảm áp nhất có thể. Việc đặt quá gần có thể gây ra hiện tượng ồn hoặc rung.
  6. Để thuận tiện cho việc tháo lắp và kiểm tra, cần chừa khoảng không gian nhất định phía trên và dưới van.
  7. Không thực hiện thử áp lực bằng nước, vì có thể gây rò rỉ hoặc sự cố vận hành.
  8. Nhằm cải thiện hiệu suất và chất lượng, cấu tạo, kích thước và vật liệu của sản phẩm có thể thay đổi mà không cần báo trước.
cấu tạo cắt ngang cảu van giảm áp samyang
Triệu chứngNguyên nhânBiện pháp xử lý
Áp suất giảm không đạt yêu cầu (Pressure Reducing Deficient)Dị vật bám trên đế đĩa pilot.Thay thế bộ pilot. Loại bỏ dị vật.
Do dị vật lọt vào bên trong van, tạo cặn bám trên bề mặt trong của van.Tháo rời van và làm sạch.
Nước ngưng chảy ngược về đường ống phụ phía đầu ra bị tắc.Lắp bẫy hơi ở phía đầu ra và xả nước ngưng.
Van bypass bị đẩy vào trong.Thay thế van bypass.
Không truyền áp suất sang phía đầu ra (Pressure transfer to the Secondary side cannot be Made)Chốt pilot ở phía đầu vào bị kẹt do dị vật.Loại bỏ dị vật trên chốt pilot đầu vào.
Màng chắn (diaphragm) bị hỏng.Thay thế màng chắn bị hỏng.
Các van chặn ở phía trước và sau van giảm áp bất thường.Kiểm tra tình trạng bất thường của các van chặn.
Áp suất và nồi hơi phía đầu vào (1st side) bất thường.Kiểm tra áp suất và nồi hơi ở đầu vào.
Nước ngưng phía đầu ra (2nd side) quá nhiều.Xả nước ngưng ở phía đầu ra.
Phần trên nắp van bị tắc do dị vật.Loại bỏ dị vật ở phần trên nắp van.
Lưới lọc (strainer) phía đầu vào bị tắc.Vệ sinh lưới lọc
Lưới lọc phía đầu ra bị tắc.Vệ sinh lưới lọc
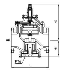
Bản vẽ kích thước và bảng thông số của van giảm áp
Bản vẽ kích thước và bảng thông số 1 của van giảm áp
Sơ đồ lắp đặt và đường ống của van giảm áp

Liên hệ ngay SON Industrial để được tư vấn giải pháp van giảm áp phù hợp nhất cho nhà máy của bạn.

Thông tin liên hệ:

Bài Viết Gần Đây

Sản Phẩm Tham Khảo

anh 1

2.000.000 VND

Còn Hàng

Còn 22 trong kho

anh 1

500.000 VND

Còn Hàng

Còn 13 trong kho

Gọi ngay
facebook zalo